Thông số kỹ thuật vòi sen tắm Nhật TOTO TBV03429V/TBW02006A
- Tên sản phẩm: Sen tắm nhiệt độ Nhật Bản GG
- Mã sản phẩm: TBV03429V/TBW02006A
- Bát sen tiết kiệm nước
- Đầu vòi và tay sen có nút điều chỉnh lưu lượng nước
-
Bát sen Aerial Shower
-
Bao gồm gác sen, không bao gồm cút nối tường
-
Sử dụng công nghệ van nhiệt SMA
-
Áp lực nước: 0.05MPa ~ 0.75MPa
-
Lớp mạ: Nickel Chrome
-
TBV03429V - Xuất xứ: Nhật Bản
-
TBW02006A - Xuất xứ: Trung Quốc
Tính năng vòi sen nhiệt độ tự động TOTO TBV03429V-TBW02006A
- Sen tắm nhiệt độ Nhật Bản dòng GG
- Sử dụng công nghệ van nhiệt SMA Tay gạt đóng mở thiết kế hình cung, làm bằng chất liệu kim loại cao cấp dễ sử dụng
- Thiết kế mang đậm phong cách Nhật
- Bát sen Aerial Shower tiết kiệm nước
- Bát sen massage 3 chế độ kèm gác sen
- Lớp mạ bền vững với thời gian
- Thân van bằng đồng thau
- Van đĩa bằng sứ chống bám cặn bẩn giúp khóa nước hoàn toàn

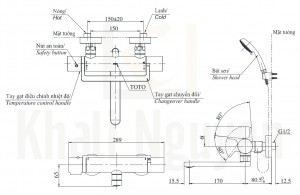
Bản vẽ sen tắm xả bồn TBV03429V TBW02006A

Tại Khali Nguyễn, chúng tôi cam kết:
- Cam kết 100% sản phẩm chính hãng, nếu phát hiện ra hàng giả hàng nhái hoàn tiền 200%.
- Sản phẩm được Khali Nguyễn lựa chọn bán là những sản phẩm có chất lượng phù hợp với giá thành và đã bán là phải có trách nhiệm với hàng hóa và khách hàng!
- Bán hàng có tâm: Chúng tôi mong muốn được tư vấn khách hàng chọn được những sản phẩm phù hợp và thích hợp để hạn chế được những phiền phức khách hàng có thể gặp phải nếu tự chọn như: chọn sản phẩm không phù hợp kích thước nhà tắm, chọn sp không phù hợp với áp lực nước, chiều cao gia đình, tông thẩm mỹ nhà tắm..... hơn là chỉ báo giá.
- Thành thật: Chúng tôi luôn thành thật về chất lượng, nguồn gốc, tình năng sản phẩm thậm trí cả rủi ro và phiền phức có thể gặp phải của sản phẩm cũng được thành thật đưa ra tư vấn.
- Giá thành phù hợp: Giá sản phẩm của chúng tôi không phải là rẻ nhất, chúng tôi có những dịch vụ được thiết kế riêng cho ngành nghề này nó thực sự cần thiết và có giá trị với khách hàng, điều đó giúp chúng tôi là đơn vị có giá bán tốt nhất trong thị trường so với sản phẩm + dịch vụ mà khách hàng nhận được. Bời vì Khali Nguyễn muốn trở thành tri kỷ của ngôi nhà bạn.
Dịch vụ riêng của Khali Nguyễn dành cho khách hàng:
- Khảo sát công trình, để hỗ trợ khách hàng chọn sản phẩm đúng và phù hợp cũng như đưa ra các lời khuyên, chú ý, hoặc chỉ ra các vấn khổng ổn nếu có hoàn toàn miễn phí.
- Bảo trì sản phẩm lên tới 5 năm, tặng các phụ kiện hao mòn và thay thế miễn phí.
- Bảo trì kiểm tra sản phẩm trước khi hết hạn bảo hành kể cả sản phẩm có lên đên 5 năm hay 10 năm bảo hành miễn phí, Khali Nguyễn sẽ liên hệ để bảo trì và kiểm tra khi đến hạn, khách hàng không phải ghi nhớ hay lưu thông tin gì cả.
- Hỗ trợ khách hàng xử lý sự cố nước trọn đời tại Hà Nội
Khali Nguyễn - Tri kỷ của ngôi nhà bạn!